| штат: | |
|---|---|
| Количество: | |
ЛСД5111А/Б
LITEKEY
8531200000
0,51 дюйма, однозначный Числовой Светодиодный дисплей SMD
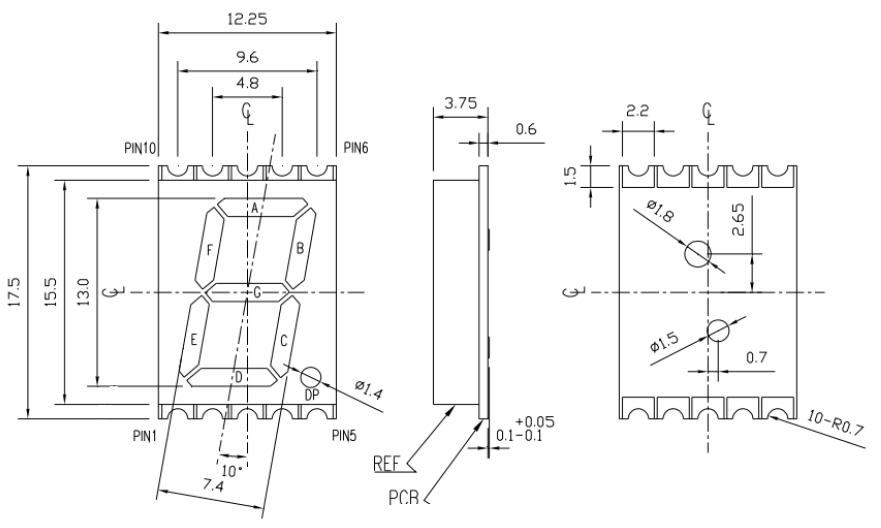
1. Внешний размер и внутренняя принципиальная схема
Примечания:
Все размеры указаны в миллиметрах (дюймах), допуск составляет 0,25 мм (0,010), если не указано иное.
2. Руководство по выбору
Номер детали. | Чип | Iв@IF=20мА | ||||
Общий Анод | Общий Катод | Материал | Цвет | ВЛД | На чип | |
Мин. | Тип. | |||||
ЛСД5111БР-Г | ЛСД5111АР-Г | АлГаИнП | Супер Красный | 640 | - | 8 |
ЛСД5111БУР-Г | ЛСД5111АУР-Г | АлГаИнП | Ультра Красный | 620 | - | 15 |
ЛСД5111БО-Г | LSD5111AO-G | АлГаИнП | Апельсин | 605 | - | 40 |
LSD5111BY-G | LSD5111AY-G | АлГаИнП | Желтый | 580 | - | 50 |
LSD5111BG-G | ЛСД5111АГ-Г | АлГаИнП | Зеленый | 570 | - | 16 |
ЛСД5111БПГ-Г | LSD5111APG-G | ИнГаН | Чистый Зеленый | 520 | - | 35 |
LSD5111BB-G | ЛСД5111АБ-Г | ИнГаН | Синий | 470 | - | 25 |
LSD5111BW-G | LSD5111AW-G | ИнГаН | Белый | х0,27/у0,25 | - | 60 |
Единица: | \ | \ | \ | нм | Макд | Макд |
3. Электрические характеристики и абсолютные максимальные значения.
Параметр | Электрический оптические характеристики[1] | Абсолютный Максимальные рейтинги[1] | ||||
Излучаемый цвет | Прямое напряжение @ ЕСЛИ=20 мА | Обеспечить регресс | Власть Рассеяние | ДК Форвард Текущий | Пик вперед Текущий[2] | |
На чип | Тип. | Макс. | ||||
Супер Красный | 2.0 | 2.6 | 30 | 60 | 20 | 100 |
Ультра Красный | 2.0 | 2.6 | 30 | 65 | 20 | 100 |
Апельсин | 2.0 | 2.6 | 30 | 65 | 20 | 100 |
Желтый | 2.0 | 2.6 | 30 | 65 | 20 | 100 |
Зеленый | 2.0 | 2.6 | 30 | 75 | 20 | 100 |
Чистый Зеленый | 3.0 | 3.6 | 30 | 85 | 20 | 100 |
Синий | 3.0 | 3.6 | 30 | 85 | 20 | 100 |
Белый | 3.0 | 3.6 | 30 | 85 | 20 | 100 |
Единица: | V | V | ЮА | мВт | мА | мА |
4. Применение Светодиодный дисплей для поверхностного монтажа(Светодиодный дисплей SMD)
﹒Бытовая техника.
﹒Приборные панели.
﹒Цифровые считывающие дисплеи.
Свяжитесь с нами для более подробной информации.
Наши услуги/Почему стоит выбрать LITEKEY
1. Профессиональное обслуживание: ответил в течение 24 часов (в рабочие дни).
2. В наличии имеются различные готовые молдинги светодиодных светильников: нет необходимости платить дополнительную плату за молдинги.
3. Мы также можем предоставить продукцию по индивидуальному заказу, дизайн в соответствии с вашими требованиями.
4. Надежное и стабильное качество: 100% тестирование каждой детали. Автоматическая машина для тестирования и выбора бин-кода.
5. Опыт: производство светодиодных компонентов более 14 лет.
6. Современное оборудование: автоматические производственные машины ASM (крупнейший бренд в области светодиодных автоматических машин).
7. Концентрация: Мы фокусируемся на исследованиях и разработках светодиодов, производстве и продажах.
0,51 дюйма, однозначный Числовой Светодиодный дисплей SMD
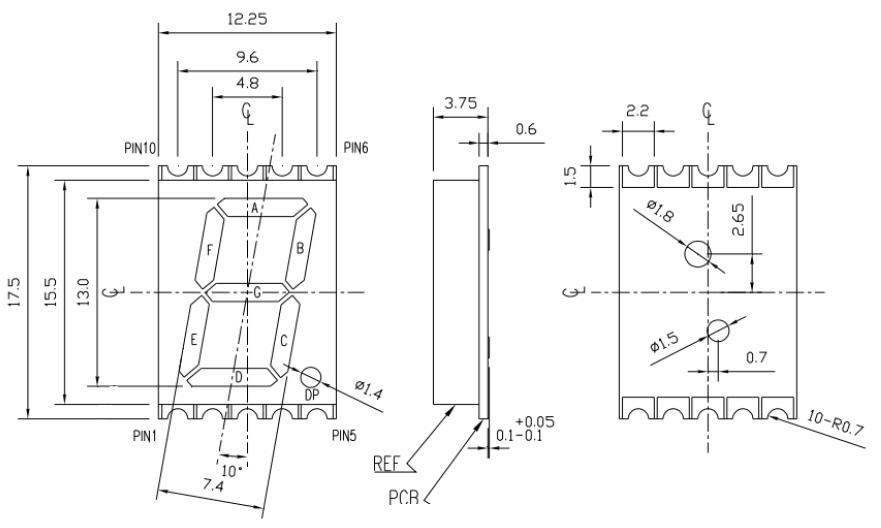
1. Внешний размер и внутренняя принципиальная схема
Примечания:
Все размеры указаны в миллиметрах (дюймах), допуск составляет 0,25 мм (0,010), если не указано иное.
2. Руководство по выбору
Номер детали. | Чип | Iв@IF=20мА | ||||
Общий Анод | Общий Катод | Материал | Цвет | ВЛД | На чип | |
Мин. | Тип. | |||||
ЛСД5111БР-Г | ЛСД5111АР-Г | АлГаИнП | Супер Красный | 640 | - | 8 |
ЛСД5111БУР-Г | ЛСД5111АУР-Г | АлГаИнП | Ультра Красный | 620 | - | 15 |
ЛСД5111БО-Г | LSD5111AO-G | АлГаИнП | Апельсин | 605 | - | 40 |
LSD5111BY-G | LSD5111AY-G | АлГаИнП | Желтый | 580 | - | 50 |
LSD5111BG-G | ЛСД5111АГ-Г | АлГаИнП | Зеленый | 570 | - | 16 |
ЛСД5111БПГ-Г | LSD5111APG-G | ИнГаН | Чистый Зеленый | 520 | - | 35 |
LSD5111BB-G | ЛСД5111АБ-Г | ИнГаН | Синий | 470 | - | 25 |
LSD5111BW-G | LSD5111AW-G | ИнГаН | Белый | х0,27/у0,25 | - | 60 |
Единица: | \ | \ | \ | нм | Макд | Макд |
3. Электрические характеристики и абсолютные максимальные значения.
Параметр | Электрический оптические характеристики[1] | Абсолютный Максимальные рейтинги[1] | ||||
Излучаемый цвет | Прямое напряжение @ ЕСЛИ=20 мА | Обеспечить регресс | Власть Рассеяние | ДК Форвард Текущий | Пик вперед Текущий[2] | |
На чип | Тип. | Макс. | ||||
Супер Красный | 2.0 | 2.6 | 30 | 60 | 20 | 100 |
Ультра Красный | 2.0 | 2.6 | 30 | 65 | 20 | 100 |
Апельсин | 2.0 | 2.6 | 30 | 65 | 20 | 100 |
Желтый | 2.0 | 2.6 | 30 | 65 | 20 | 100 |
Зеленый | 2.0 | 2.6 | 30 | 75 | 20 | 100 |
Чистый Зеленый | 3.0 | 3.6 | 30 | 85 | 20 | 100 |
Синий | 3.0 | 3.6 | 30 | 85 | 20 | 100 |
Белый | 3.0 | 3.6 | 30 | 85 | 20 | 100 |
Единица: | V | V | ЮА | мВт | мА | мА |
4. Применение Светодиодный дисплей для поверхностного монтажа(Светодиодный дисплей SMD)
﹒Бытовая техника.
﹒Приборные панели.
﹒Цифровые считывающие дисплеи.
Свяжитесь с нами для более подробной информации.
Наши услуги/Почему стоит выбрать LITEKEY
1. Профессиональное обслуживание: ответил в течение 24 часов (в рабочие дни).
2. В наличии имеются различные готовые молдинги светодиодных светильников: нет необходимости платить дополнительную плату за молдинги.
3. Мы также можем предоставить продукцию по индивидуальному заказу, дизайн в соответствии с вашими требованиями.
4. Надежное и стабильное качество: 100% тестирование каждой детали. Автоматическая машина для тестирования и выбора бин-кода.
5. Опыт: производство светодиодных компонентов более 14 лет.
6. Современное оборудование: автоматические производственные машины ASM (крупнейший бренд в области светодиодных автоматических машин).
7. Концентрация: Мы фокусируемся на исследованиях и разработках светодиодов, производстве и продажах.
Рекомендуемое состояние поверхностного монтажа:
ПРИМЕЧАНИЯ:
1.Мы рекомендовать тот перекомпоновка температура 245°C(±5°C). Максимум пайка температура должен быть ограниченный к 260°С.
2. Не причина стресс к тот эпоксидная смола смола пока это является незащищенный к высокий температура.
3. Число из перекомпоновка процесс должен быть 2 раз или меньше.
Рекомендуемое состояние поверхностного монтажа:
ПРИМЕЧАНИЯ:
1.Мы рекомендовать тот перекомпоновка температура 245°C(±5°C). Максимум пайка температура должен быть ограниченный к 260°С.
2. Не причина стресс к тот эпоксидная смола смола пока это является незащищенный к высокий температура.
3. Число из перекомпоновка процесс должен быть 2 раз или меньше.